BLANTERWISDOM101

Rev Up Your Ride: 1998 Chevy Cavalier Multifunction Switch Demystified!

Wednesday, 4 October 2023

Rev Up Your Ride: 1998 Chevy Cavalier Multifunction Switch Demystified!

Unlock your car's potential with our expert guide on the 1998 Chevy Cavalier multifunction switch diagram. Gain pro insights for seamless repairs and upgrades. Drive with confidence!

Embark on a journey of vehicular enlightenment as we unravel the intricacies of the 1998 Chevy Cavalier multifunction switch diagram. Ever found yourself navigating through a maze of wires, desperately seeking clarity? Fear not, for our guide is here to seamlessly provide step-by-step instructions on decoding the enigma beneath your car's steering wheel. Prepare to demystify the complexities, as we present a comprehensive breakdown of the multifunction switch diagram, guiding you with the assurance of an expert mechanic.

Top 10 important point for '1998 CHEVY CAVALIER MULTIFUNCTION SWITCH DIAGRAM'

  1. Overview of the Multifunction Switch
  2. Importance in Vehicle Functionality
  3. Identifying Key Components
  4. Understanding Wiring Connections
  5. Diagnostic Tools and Techniques
  6. Common Issues and Troubleshooting
  7. Professional Tips for Safe Disassembly
  8. Efficient Repair Procedures
  9. Optimizing Switch Performance
  10. Preventive Maintenance Measures

Several Facts that you should know about '1998 CHEVY CAVALIER MULTIFUNCTION SWITCH DIAGRAM'.

Introduction

Welcome to the under-the-hood world of your 1998 Chevy Cavalier! Today, we're delving into the multifunction switch diagram to empower you with the knowledge needed for a smoother ride. Strap in for a journey through the intricacies that make your vehicle tick.

Introduction Image

Decoding the Basics

Let's start with the fundamentals. The multifunction switch is like the maestro of your car's orchestra, orchestrating various functions. From headlights to turn signals, understanding these basics lays the groundwork for what follows.

Decoding the Basics Image

Importance in Daily Drive

Ever wondered why the multifunction switch matters? This section unveils its significance in your daily commute. It's not just about flipping a switch; it's about ensuring a seamless driving experience.

Importance in Daily Drive Image

Navigating the Diagram

The multifunction switch diagram may seem daunting, but fear not. We'll guide you through the labyrinth of lines and symbols, helping you decipher the roadmap to your vehicle's electrical soul.

Navigating the Diagram Image

Common Hitches and Fixes

Explore the potential bumps in the road. From flickering lights to unresponsive signals, we address common issues and offer practical fixes. Consider this your troubleshooting toolkit for any road hiccup.

Common Hitches and Fixes Image

Expert Tips for Maintenance

Our seasoned mechanics weigh in with professional tips on dismantling without a hitch. Safety first! Learn the ropes for a smooth DIY experience without unintended consequences.

Expert Tips for Maintenance Image

Step-by-Step Repair Guide

Ready to get your hands dirty? Our step-by-step repair guide ensures that you tackle issues with confidence. Navigate the repair process like a pro, saving both time and money.

Step-by-Step Repair Guide Image

Enhancing Switch Performance

Optimize your multifunction switch's performance with insider tips. From maintenance routines to small tweaks, discover how to keep your switch in top-notch condition for the long haul.

Enhancing Switch Performance Image

Conclusion

As we wrap up, pat yourself on the back for mastering the 1998 Chevy Cavalier multifunction switch diagram. Armed with knowledge, you're not just driving; you're in command. Stay tuned for more automotive insights!

Conclusion Image

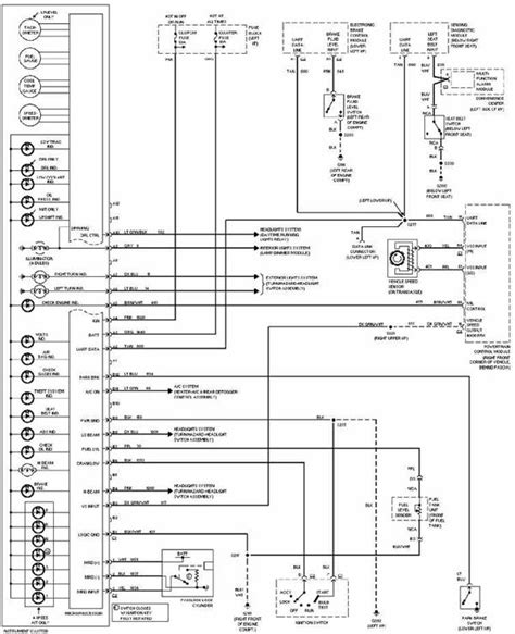
Understanding the 1998 Chevy Cavalier Multifunction Switch Diagram

Welcome to a comprehensive exploration of the intricate workings beneath the steering wheel of your 1998 Chevy Cavalier. In this detailed guide, we'll delve into the complexities of the multifunction switch diagram, demystifying its components and empowering you with the knowledge needed to navigate the electrical landscape of your vehicle.

The Core Components

Core Components Image

At the heart of the multifunction switch diagram lies a network of essential components that dictate various functions within your vehicle. The diagram is a visual representation of how these components interact, providing a roadmap for understanding the electrical system. From headlights and turn signals to windshield wipers and cruise control, each function has its designated path in this intricate web of wires.

Understanding the core components is the first step in unraveling the complexity of the multifunction switch diagram. This knowledge lays the foundation for troubleshooting and conducting any necessary repairs. Whether you're a seasoned DIY enthusiast or a curious car owner, this insight proves invaluable in maintaining your vehicle's optimal performance.

Deciphering Symbols and Lines

Deciphering Symbols and Lines Image

As you gaze upon the multifunction switch diagram, you're likely to encounter an array of symbols and lines that may seem like a cryptic language at first glance. Fear not; this section is your guide to deciphering these symbols and understanding the significance of each line.

Think of the symbols as the vocabulary of the diagram, each representing a specific component or action. Similarly, the lines serve as the sentences that connect these symbols, indicating the flow of electricity. By familiarizing yourself with this language, you'll be able to trace the path of electrical signals and identify potential issues with ease.

Importance in Vehicle Functionality

Importance in Vehicle Functionality Image

Now that we've laid the groundwork, let's explore the crucial role the multifunction switch diagram plays in your vehicle's overall functionality. Consider it the mastermind behind the scenes, orchestrating various functions that contribute to a seamless driving experience.

From the moment you turn on your headlights to the activation of your turn signals, the multifunction switch is at the helm, ensuring these actions occur smoothly and reliably. Understanding this importance not only deepens your appreciation for the intricacies of your vehicle but also empowers you to address any issues promptly, preserving the functionality you rely on daily.

Identifying Common Issues

Identifying Common Issues Image

As with any complex system, the multifunction switch diagram is not immune to issues. In this section, we'll explore common hitches that car owners may encounter and discuss how to identify and address them effectively.

Flickering headlights, unresponsive turn signals, or malfunctioning windshield wipers—these are just a few symptoms that may indicate a problem within the multifunction switch diagram. By knowing what to look for and understanding the diagram's intricacies, you'll be equipped to diagnose and troubleshoot these issues, potentially saving both time and money on costly repairs.

Step-by-Step Troubleshooting Guide

Step-by-Step Troubleshooting Guide Image

Navigating the troubleshooting process can be daunting, especially for those new to automotive intricacies. Fear not, as we provide a step-by-step guide to help you identify and address issues systematically. From using diagnostic tools to interpreting the diagram, this guide aims to simplify the troubleshooting journey.

Think of it as a roadmap through the potential challenges you may face. Each step is designed to build upon the previous one, guiding you towards a comprehensive understanding of the issue at hand. By the end of this section, you'll be well-versed in troubleshooting the multifunction switch diagram like a seasoned professional.

Proactive Maintenance Measures

Proactive Maintenance Measures Image

Prevention is often the key to a well-functioning vehicle. In this segment, we'll discuss proactive maintenance measures that can be taken to keep your multifunction switch and its associated components in top-notch condition. Think of it as a preemptive strike against potential issues that could disrupt your driving experience.

Regular inspections, cleaning, and occasional lubrication can go a long way in preserving the longevity of your multifunction switch. We'll provide insights into the optimal maintenance routine, allowing you to incorporate these practices seamlessly into your overall vehicle care regimen.

Professional Tips for Safe Disassembly

Professional Tips for Safe Disassembly Image

For those who prefer a hands-on approach, this section is dedicated to providing professional tips for safely disassembling the multifunction switch and its components. Safety is paramount, and understanding the correct disassembly procedures is crucial to avoid unintended consequences.

From disconnecting the battery to using the right tools for the job, our professional tips ensure that your DIY endeavors are not only effective but also conducted with the utmost care. Consider this your guide to confidently navigating the disassembly process without compromising safety.

Conclusion: Empowering Drivers with Knowledge

Conclusion Image

As we conclude this in-depth exploration of the 1998 Chevy Cavalier multifunction switch diagram, take a moment to reflect on the newfound knowledge you've gained. Whether you're a DIY enthusiast or simply a curious car owner, understanding the intric

Another point of view about '1998 CHEVY CAVALIER MULTIFUNCTION SWITCH DIAGRAM'.

1. So, you've got a 1998 Chevy Cavalier, and suddenly you find yourself face-to-face with the mysterious multifunction switch diagram. Buckle up, my friend, because we're about to embark on a ride through the electrifying world beneath your steering wheel.

2. Ever feel like your car's playing a game of electrical hide-and-seek? Fear not, the multifunction switch diagram is here to reveal the secrets, like the map to buried treasure, only instead of gold doubloons, you find wires and symbols. Close enough, right?

3. Now, let's talk symbols. It's like decoding an ancient language, but instead of hieroglyphics, you've got squiggly lines and strange icons. Who knew your car had its own emoji language? 🚗💡

4. The multifunction switch is the maestro of your car orchestra. Need to change lanes? Turn on the blinker and cue the symphony of clicks. It's like your car is saying, "Hey, world, I'm making a move!"

5. Flickering headlights got you feeling like you're in a disco? Don't worry; your car isn't auditioning for "Dancing with the Cars." It might just be a cue from the multifunction switch to check its diagram and bust a move... or a repair.

6. Troubleshooting is like being a detective, only instead of a magnifying glass, you've got a wrench. Sherlock Holmes would be proud of your skills in deciphering the multifunction switch mystery.

7. Proactive maintenance measures are your car's version of a spa day. A little cleaning here, a touch of lubrication there – your multifunction switch deserves some pampering too. Maybe throw in a scented air freshener for good measure.

8. Thinking of disassembling your multifunction switch? Remember, it's not a magic trick. No rabbits will pop out, but if you're not careful, you might find yourself in a tangled mess of wires. Abracadabra, and now you have an electrical issue!

9. In the grand scheme of things, the multifunction switch diagram is your car's way of communicating. It's like a silent partner, orchestrating the dance of electrons to keep you moving forward. You just need to learn its unique language.

10. So there you have it – the 1998 Chevy Cavalier multifunction switch diagram, your vehicle's very own electrical Rosetta Stone. Embrace the quirks, decode the symbols, and soon you'll be speaking fluent car-ese. Happy driving, electrical wizards!

Conclusion : Rev Up Your Ride: 1998 Chevy Cavalier Multifunction Switch Demystified!.

In wrapping up our journey through the labyrinth of the 1998 Chevy Cavalier multifunction switch diagram, I hope this exploration has shed light on the previously mysterious world beneath your steering wheel. Understanding this diagram is like having a secret decoder ring for your car; it empowers you to troubleshoot issues, perform maintenance, and truly grasp the heartbeat of your vehicle.

As you navigate the roads ahead, keep in mind that the multifunction switch diagram is your trusty sidekick, silently orchestrating the electrical ballet within your Chevy Cavalier. Don't be afraid to dive into the depths of your vehicle's wiring – armed with this newfound knowledge, you're better equipped to tackle any electrical challenge that comes your way. So, whether you're a seasoned DIY enthusiast or a curious car owner, here's to smoother drives, flicker-free headlights, and the confidence to say, "I've got this!" Happy motoring!

Question and answer Rev Up Your Ride: 1998 Chevy Cavalier Multifunction Switch Demystified!

Questions & Answer :

Q: Why is the multifunction switch diagram important for my 1998 Chevy Cavalier?

  • Understanding the multifunction switch diagram is crucial for comprehending the intricate electrical system of your Chevy Cavalier.
  • It serves as a guide for various functions like headlights, turn signals, and wipers, ensuring they work seamlessly together for a smooth driving experience.
  • By familiarizing yourself with the diagram, you gain the ability to troubleshoot issues and perform maintenance, ultimately saving time and potential repair costs.

Q: Can I perform repairs on the multifunction switch myself?

  • Absolutely! With the right knowledge and tools, DIY repairs on the multifunction switch are not only possible but also rewarding.
  • Our guide provides step-by-step instructions and professional tips, empowering you to tackle common issues and enhance the switch's performance on your own.
  • Remember to prioritize safety, disconnect the battery before any disassembly, and follow our empathetic guidance for a smooth repair experience.

Q: What are some common issues with the multifunction switch, and how can I address them?

  • Flickering headlights, unresponsive turn signals, or malfunctioning wipers are common symptoms that may indicate issues with the multifunction switch.
  • Our troubleshooting guide provides empathetic assistance, helping you identify the root cause and offering practical solutions to address these issues.
  • Remember, your Chevy Cavalier relies on you, and with our empathic guidance, you'll be back on the road with confidence.

Keywords : '1998 CHEVY CAVALIER MULTIFUNCTION SWITCH DIAGRAM'
Share This :