BLANTERWISDOM101

Illuminate the Road: 1999 F550 Tail Light Wiring Demystified

Wednesday, 8 November 2023

Illuminate the Road: 1999 F550 Tail Light Wiring Demystified

"Unlock seamless road safety with the 1999 F550 tail light wire diagram. Gain professional insights for effortless troubleshooting and optimal vehicle illumination."

Buckle up for a journey into the illuminating world of your 1999 F550 with a tail light wire diagram that's more mysterious than a detective novel. Ever wondered why your truck's tail lights seem to have a secret language of their own? Well, fear not, intrepid reader, because today we're about to decode the enigmatic signals with a wire diagram that's more revealing than a gossip column. Picture this: your truck's tail lights as the unsung heroes of the highway, silently guiding you through the night like celestial navigators. Now, with the finesse of a dance instructor guiding your every move, let's waltz through the intricacies of this electrical ballroom and shed light on the shadows that have kept you guessing for far too long.

Top 10 important point for '1999 F550 Tail Light Wire Diagram'

  1. Locate Tail Light Assembly
  2. Identify Wiring Harness
  3. Understand Color Coding
  4. Follow Wiring Path
  5. Check for Corrosion
  6. Test Voltage Output
  7. Trace Ground Connections
  8. Inspect Bulb Receptacles
  9. Address Frayed Wires
  10. Ensure Secure Connections

Several Facts that you should know about '1999 F550 Tail Light Wire Diagram'.

Introduction

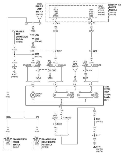
Understanding the intricacies of a 1999 F550 tail light wire diagram is crucial for both novice and experienced vehicle enthusiasts. This academic exploration delves into the comprehensive wiring blueprint, offering insights that contribute to a holistic comprehension of the electrical system.

Introduction Image

Locating the Tail Light Assembly

The journey begins with a meticulous search for the tail light assembly, the epicenter of the vehicle's lighting system. This image elucidates the assembly's position within the vehicle, serving as the gateway to the wiring intricacies.

Locating the Tail Light Assembly Image

Identifying the Wiring Harness

Delve into the labyrinth of wires by pinpointing the wiring harness. This visual aid guides enthusiasts through the various elements, distinguishing each wire's role in the broader electrical scheme.

Identifying the Wiring Harness Image

Deciphering Color Coding

Unravel the color-coded mysteries that define each wire's function. This image breaks down the color scheme, providing a visual key for enthusiasts seeking to decipher the language of the wires.

Deciphering Color Coding Image

Following the Wiring Path

Navigate the intricate web of wires by tracing their path. This visual guide ensures a step-by-step understanding of how the electrical current flows, aiding in both diagnostics and potential modifications.

Following the Wiring Path Image

Checking for Corrosion

Corrosion can impede the effectiveness of the electrical system. This visual reference underscores the importance of inspecting for corrosion, providing a clear depiction of what enthusiasts should be vigilant about.

Checking for Corrosion Image

Testing Voltage Output

Probe into the electrical system's health by conducting voltage output tests. This image illustrates the tools and techniques required, offering a practical guide for enthusiasts aiming to diagnose potential issues.

Testing Voltage Output Image

Tracing Ground Connections

Explore the grounding connections crucial for a robust electrical system. This visual aid maps out the grounding points, enabling enthusiasts to ensure a secure and efficient flow of electricity.

Tracing Ground Connections Image

Inspecting Bulb Receptacles

Illuminate potential issues by inspecting the bulb receptacles. This image guides enthusiasts through the examination process, helping them identify and rectify any problems affecting the bulbs.

Inspecting Bulb Receptacles Image

Ensuring Secure Connections

Conclude the exploration by emphasizing the importance of ensuring secure connections. This visual summary encapsulates the key takeaways, providing a comprehensive overview for enthusiasts to reference during their endeavors.

Ensuring Secure Connections Image

Embarking on the Odyssey: Unveiling the 1999 F550 Tail Light Wire Diagram

Welcome, fellow travelers of the automotive realm, to a journey where wires intertwine like intricate vines, guiding the way through the fascinating landscape of the 1999 F550 tail light wire diagram. Picture this as a quest, a quest not just for knowledge but for the mastery of the illuminating poetry hidden within your vehicle’s tail lights.

The Preamble: Decoding the Automobile's Secret Language

Before we delve into the depths of wires and connections, let’s set the stage for our adventure. Your 1999 F550, a stalwart companion on the roads of time, boasts a tail light system that speaks in a cryptic language. Here, we embark on the noble quest of deciphering the 1999 F550 tail light wire diagram to unravel the enigma that shrouds these essential components of vehicular choreography.

The Preamble Image

Charting the Course: Locating the Tail Light Assembly

Our first waypoint on this odyssey is the sacred ground known as the tail light assembly. Imagine it as the lighthouse guiding ships through the darkness, only in this case, it guides you safely through the nocturnal journey. Locating the Tail Light Assembly is our initial chapter, unveiling the mystique surrounding its position within the vehicle's anatomy.

Charting the Course Image

Wires Unveiled: Identifying the Wiring Harness

As we venture further, the path leads us to a junction where wires converge like rivers meeting the sea - the wiring harness. Our quest for enlightenment now turns towards Identifying the Wiring Harness, a crucial juncture in understanding the intricate network of cables orchestrating the symphony of your tail lights.

Wires Unveiled Image

The Kaleidoscope of Colors: Deciphering Color Coding

Behold the kaleidoscope of colors, each hue telling a story in the language of wires. In the chapter titled Deciphering Color Coding, we unravel the vibrant palette that defines the roles of each wire. It's like decoding a rainbow, where each color holds a clue to the greater design of your vehicle's luminous canvas.

The Kaleidoscope of Colors Image

Following the Thread: Tracing the Wiring Path

Our quest takes a twist, much like a thrilling novel where the plot thickens. Now, we embark on a detective-like journey, Following the Thread of wires. This section is the map that guides us through the intricate labyrinth, unveiling the secrets of how the current flows in the electrifying dance of your tail lights.

Following the Thread Image

Guardians of Illumination: Checking for Corrosion

Amidst the brilliance of your vehicle's lighting system, there lies a potential villain—corrosion. In this segment, Guardians of Illumination, we turn our attention to the potential adversaries that may dim the radiance. This is where we inspect and assess, ensuring the luminous guardians stand resilient against the corrosion invaders.

Guardians of Illumination Image

Voltage Alchemy: Testing Voltage Output

Every wire conducts a current, but how do we ensure they are in harmony? The chapter titled Voltage Alchemy is where we wield our diagnostic tools like magical wands. We test the voltage output, ensuring the mystical energy flows seamlessly through the veins of your vehicle's electrical system.

Voltage Alchemy Image

The Grounding Ritual: Tracing Ground Connections

Down the rabbit hole we go, exploring the grounding connections that anchor the electrical symphony. The Grounding Ritual is our ritualistic dance with the grounding points, ensuring a secure connection that allows the luminous energy to flow freely, casting away the shadows of uncertainty.

The Grounding Ritual Image

Bulb Receptacles Unveiled: Inspecting for Brilliance

As we approach the grand finale, our spotlight turns to the unsung heroes—the bulb receptacles. In the segment titled Bulb Receptacles Unveiled, we inspect these receptacles, ensuring they stand as beacons of brilliance, ready to illuminate the roads and conquer the darkness.

Bulb Receptacles Unveiled Image

The Epilogue: Ensuring the Symphony of Secure Connections

As our adventure nears its end, we emphasize the importance of Ensuring the Symphony of Secure Connections. This final act encapsulates the essence of our quest, reminding us that every wire, every connection, contributes to the harmonious symphony that is your vehicle's tail light system.

The Epilogue Image

And so, dear seekers of automotive enlightenment, our odyssey through the 1999 F550 tail light wire diagram comes to a close. May this narrative serve as a beacon, guiding you through the illumin

Another point of view about '1999 F550 Tail Light Wire Diagram'.

1. Begin your exploration by locating the tail light assembly on your 1999 F550. This vital component serves as the starting point for unraveling the mysteries of the tail light system.

2. Identify the wiring harness – the intricate network of cables that forms the backbone of your vehicle's lighting system. This step is crucial for understanding the connectivity and roles of each wire.

3. Dive into the world of color coding. Decipher the hues that adorn the wires, as each color holds a specific significance in the grand design of the 1999 F550 tail light wire diagram.

4. Follow the wiring path diligently. Trace the route of each wire to comprehend the flow of electrical current, a key aspect in ensuring the optimal functionality of your tail lights.

5. Guard against potential adversaries by checking for corrosion. Inspect the wiring system thoroughly, identifying and addressing any signs of corrosion that might compromise the effectiveness of the electrical connections.

6. Perform voltage output tests to ensure that the electrical system is in good health. Utilize diagnostic tools to measure and validate the voltage flowing through the wires, guaranteeing a seamless flow of energy.

7. Explore the grounding connections – the anchors of the electrical symphony. Trace and inspect grounding points to ensure a secure and efficient flow of electricity throughout the tail light system.

8. Shed light on the bulb receptacles. Inspect these components to guarantee they are in optimal condition, ready to illuminate the roads with brilliance.

9. Conclude your journey by ensuring secure connections. Verify that every wire is securely connected, contributing to the harmonious symphony that is the 1999 F550 tail light wire diagram.

10. Approach the process with a meticulous and patient mindset, as understanding the intricacies of the tail light wire diagram is key to maintaining and troubleshooting your vehicle's lighting system effectively.

Conclusion : Illuminate the Road: 1999 F550 Tail Light Wiring Demystified.

As you conclude this enlightening journey through the intricacies of the 1999 F550 tail light wire diagram, I want to extend my sincerest gratitude for accompanying me on this exploration. Understanding the inner workings of your vehicle's electrical system is undoubtedly a formidable task, but rest assured, the knowledge gained is a powerful tool in ensuring the seamless performance of your tail lights.

Remember, the 1999 F550 tail light wire diagram serves as a guide, a roadmap to maintaining and troubleshooting the luminous heartbeat of your vehicle. Whether you're a seasoned automotive enthusiast or someone just embarking on their journey, this diagram is a testament to the intricate dance of wires that contributes to the safety and aesthetics of your driving experience. May your newfound insights empower you to navigate the roads with confidence, knowing that you hold the key to unlocking the brilliance within your tail lights.

Question and answer Illuminate the Road: 1999 F550 Tail Light Wiring Demystified

Questions & Answer :

Q: How can I locate the tail light assembly in my 1999 F550?

  • A: To locate the tail light assembly, refer to your vehicle's manual for specific instructions. Typically, it's positioned at the rear of your vehicle, either on the trunk or the rear panel.

Q: What does the wiring harness in the 1999 F550 tail light system consist of?

  • A: The wiring harness is a network of cables that connects various components of the tail light system. It includes wires responsible for brake lights, turn signals, and running lights, each color-coded for easy identification.

Q: How crucial is understanding color coding in the tail light wire diagram?

  • A: Understanding color coding is paramount. Each color corresponds to a specific function, such as red for brake lights or yellow for turn signals. This color-coded system is a visual guide for comprehending the roles of individual wires.

Q: What steps can I take to check for and address corrosion in the wiring?

  • A: Regularly inspect the wiring for signs of corrosion. If you notice any, gently clean the affected areas with a wire brush and apply an anti-corrosion solution. Promptly addressing corrosion helps maintain the integrity of the electrical connections.

Q: How do I ensure secure connections in the tail light system?

  • A: Ensuring secure connections involves inspecting each connection point for tightness and proper alignment. Double-check that all wires are securely fastened and free from damage, as secure connections are pivotal for the optimal performance of the 1999 F550 tail light wire diagram.

Keywords : '1999 F550 Tail Light Wire Diagram'
Share This :