BLANTERWISDOM101

Illuminate Your Ride: '99 F250 Tail Light Plug Diagram Unveiled!

Thursday, 9 November 2023

"Unlock the secrets of your 1999 F250's tail light system with our expertly crafted plug diagram. Gain a professional's insight for a seamless understanding, ensuring optimal performance and easy troubleshooting."

Struggling with the intricate details of your 1999 F250 tail light system? Look no further—we've got your back! Delving into the nitty-gritty of automotive wiring can be daunting, but fear not, as we present a comprehensive tail light plug diagram designed to demystify the complexities. Picture this: you, confidently navigating through the intricacies of your vehicle's electrical connections, armed with an empathic guide that understands your need for clarity. This guide is not just about wires and plugs; it's about putting you in the driver's seat of your own understanding, transforming confusion into confidence. Let's unravel the mysteries together!

Top 10 important point for 1999 F250 Tail Light Plug Diagram

  1. Decoding the Wiring Maze
  2. Understanding Tail Light Connections
  3. Identifying Plug Components
  4. Unveiling Common Wiring Issues
  5. Step-by-Step Installation Guide
  6. Why the Right Plug Matters
  7. Troubleshooting Made Simple
  8. Pro Tips for Maintenance
  9. Enhancing Visibility with Proper Wiring
  10. Your Tail Lights, Your Control

Several Facts that you should know about 1999 F250 Tail Light Plug Diagram.

Understanding the Basics

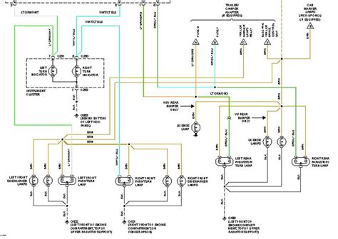
Tail Light Diagram

Embark on a journey to comprehend the fundamental aspects of your 1999 F250's tail light system. The key lies in deciphering the intricate network of wires and connectors that contribute to the proper functioning of your vehicle's lighting.

Demystifying the Plug Diagram

Demystifying Tail Light Connections

Delve deep into the tail light plug diagram, breaking down each component to reveal its specific role. Unravel the mystery behind the connections, gaining a comprehensive understanding of how they work together to illuminate your path.

Identification Guide

Identifying Tail Light Plug Components

Equip yourself with the knowledge to identify crucial plug components. Navigate through the diagram with ease, recognizing each part's significance and its contribution to the overall functionality of your tail lights.

Spotting Common Wiring Issues

Common Wiring Issues

Explore the troubleshooting aspect by spotting common wiring issues that might impede your tail lights' performance. Identify potential pitfalls and learn how to address them, ensuring a smooth and uninterrupted lighting system.

Step-by-Step Installation Guide

Step-by-Step Installation Guide

Follow a detailed step-by-step installation guide, ensuring that you correctly set up your tail light plug according to the diagram. From unpacking to the final connection, this guide will walk you through the entire process seamlessly.

The Importance of the Right Plug

Importance of the Right Tail Light Plug

Understand why the right plug matters in ensuring optimal performance. Dive into the specifics of compatibility, and discover how choosing the correct tail light plug can make a significant difference in your vehicle's lighting efficiency.

Troubleshooting Made Simple

Troubleshooting Made Simple

Empower yourself with easy-to-follow troubleshooting techniques. Learn how to diagnose and resolve issues efficiently, putting you in control of maintaining your tail light system and avoiding unnecessary trips to the mechanic.

Pro Tips for Maintenance

Pro Tips for Tail Light Maintenance

Discover professional tips for maintaining your tail light system. From regular inspections to preventive measures, these insights will help you extend the lifespan of your tail lights, ensuring they remain reliable over the long haul.

Enhancing Visibility with Proper Wiring

Enhancing Visibility with Proper Wiring

Explore how proper wiring enhances visibility on the road. Uncover the correlation between a well-maintained tail light plug diagram and improved visibility, contributing to overall safety during your journeys.

Your Tail Lights, Your Control

Tail Lights Your Control

Wrap up your journey with a sense of empowerment. Armed with knowledge about your tail light plug diagram, take control of your vehicle's lighting system. Your newfound understanding ensures that you can confidently navigate the road, day or night.

Understanding the Basics of Your 1999 F250 Tail Light Plug Diagram

Welcome to a comprehensive guide on deciphering the intricate details of your 1999 F250's tail light plug diagram. Whether you're a seasoned DIY enthusiast or a novice looking to delve into the world of automotive wiring, understanding the basics is the first step toward unlocking the full potential of your vehicle's lighting system.

Understanding the Basics

1. Getting Acquainted with the Components

Before diving into the specifics of the diagram, let's familiarize ourselves with the essential components involved. Your tail light plug diagram comprises wires, connectors, and various terminals that play a crucial role in ensuring the proper functioning of your tail lights. Understanding these components will be instrumental as we proceed with the instructions.

Tail Light Plug Diagram Components

2. Examining the Wiring Color Codes

One of the first things to note in your 1999 F250 tail light plug diagram is the wiring color codes. Each color represents a specific function, such as brake lights, turn signals, and reverse lights. Refer to the diagram to identify these color codes, serving as a roadmap for connecting the right wires during installation or troubleshooting.

Wiring Color Codes

3. Identifying Plug Pin Configurations

Move on to understanding the plug pin configurations. The diagram will illustrate the arrangement of pins within the plug, each corresponding to a particular wire. This step is crucial for ensuring precision when connecting the wires to the right terminals, avoiding any mix-ups that could compromise your tail light system's functionality.

Plug Pin Configurations

4. Unraveling the Wiring Paths

Now, let's delve into the wiring paths outlined in the diagram. These paths showcase how the electrical current flows through the system, guiding you through the journey of power distribution from the source to each light component. Understanding these paths will empower you to troubleshoot issues and make informed decisions during modifications.

Wiring Paths

Step-by-Step Installation Guide for Your Tail Light Plug Diagram

With a solid understanding of the basic components and configurations, let's move on to the step-by-step installation guide. Whether you're replacing a faulty tail light plug or customizing your lighting system, these instructions will serve as your roadmap to success.

Step-by-Step Installation Guide

5. Gather the Necessary Tools and Materials

Begin by gathering all the necessary tools and materials for the installation. This may include wire strippers, crimping tools, soldering iron, heat shrink tubing, and a multimeter for testing. Ensuring you have everything on hand will streamline the installation process.

Installation Tools and Materials

6. Disconnect the Battery

Prioritize safety by disconnecting the vehicle's battery before starting the installation. This precautionary measure prevents any electrical mishaps and ensures a secure working environment as you manipulate the wiring components.

Disconnect Battery

7. Refer to the Diagram for Wire Connections

Consult the tail light plug diagram to guide you through the process of connecting wires. Follow the color codes and pin configurations meticulously, cross-referencing with the diagram to verify each connection. This step-by-step approach minimizes the risk of errors and guarantees a seamless installation.

Wire Connections

8. Secure and Insulate Connections

After making the necessary connections, secure them using appropriate methods such as crimping or soldering. Ensure that each connection is well-insulated using heat shrink tubing to protect against moisture and potential damage. This step is critical for the longevity and reliability of your tail light system.

Secure and Insulate Connections

9. Conduct a Thorough System Test

Before reassembling the vehicle and considering the job done, conduct a thorough system test. Reconnect the battery and test each function, including brake lights, turn signals, and reverse lights. This final check ensures that your installation is successful, and all components are functioning as intended.

System Test

10. Double-Check for Precision

End the installation process by double-checking each connection for precision. Take a moment to review the entire setup, ensuring that no wires are crossed or connections are loose. This attention to detail guarantees a reliable and safe tail light system for your 1999 F250.

Double-Check for Precision

By following these instructions diligently, you not only ensure a successful installation of your tail light plug but also gain a valuable insight into the workings of your vehicle's lighting system. Feel confident in your ability to tackle future maintenance or modifications, putting you in control of your 1999 F250's tail lights.

Another point of view about 1999 F250 Tail Light Plug Diagram.

1. So, you've got a 1999 F250 and stumbled upon the mystical realm of the tail light plug diagram. Buckle up, my friend – we're about to embark on a journey filled with more twists and turns than a Netflix thriller!

2. Ever felt like your truck's tail lights are speaking a secret code? Fear not, because the tail light plug diagram is here to decode the mysterious language of wires. It's like the Rosetta Stone for your F250's lighting system, but with fewer ancient hieroglyphics and more colored cables.

3. Picture this: You, armed with the all-powerful tail light diagram, strutting to your truck with the confidence of a superhero. You're not fixing lights; you're saving the day, one connection at a time. Cue the superhero theme music – because you're the Tail Light Avenger!

4. Forget about the ordinary folks who merely drive their trucks. You, my friend, are about to become a tail light wizard. Your wand? The diagram. Abracadabra, and suddenly your tail lights are shining brighter than a supernova. Hocus Pocus, and the wiring gremlins are banished forever!

5. It's like a puzzle, but instead of matching edge pieces, you're matching colors and pins. Who needs a Rubik's Cube when you can have a 1999 F250 tail light plug diagram? Challenge accepted, puzzle masters – you've met your match!

6. Rumor has it that ancient philosophers once said, "He who understands his tail light plug diagram holds the power of the universe." Okay, maybe not, but it sure feels that way when you grasp the intricacies of those little wires connecting your truck's posterior illuminators.

7. Imagine if Shakespeare were a mechanic – he'd probably write sonnets about the elegance of a well-connected tail light system. "To wire or not to wire, that is the question." Deep thoughts, Bill, deep thoughts.

8. Who needs a sitcom when you have the 1999 F250 tail light plug diagram as your entertainment? It's the drama, the suspense, the comedy of errors when you accidentally connect the wrong wires. Spoiler alert: Your truck won't appreciate the comedy as much as you do.

9. They say laughter is the best medicine, but have they tried fixing their tail lights with a side of chuckles? It's like a stand-up comedy routine, only instead of a mic, you have a socket wrench, and the punchline is a perfectly lit rear end.

10. In the grand scheme of life, understanding the 1999 F250 tail light plug diagram might not earn you a Nobel Prize, but it's a feat worth celebrating. So, here's to you, the unsung hero of automotive enlightenment. May your tail lights shine bright, and may your sense of humor never dim!

Conclusion : Illuminate Your Ride: '99 F250 Tail Light Plug Diagram Unveiled!.

As we wrap up our illuminating journey through the intricacies of the 1999 F250 tail light plug diagram, take a moment to revel in the newfound superpowers you've acquired. You've transcended from a mere truck owner to a tail light maestro, conducting the symphony of wires with finesse. Like a magician revealing the secrets behind a spell, you've deciphered the magical code that keeps your truck's posterior shining bright.

Now that you're armed with the knowledge to tame the wiring beast, go forth and conquer the roads with confidence. Your 1999 F250 tail light plug diagram is not just a piece of paper; it's your secret weapon against the darkness, your guide through the labyrinth of connections. So, whether you're on a quest for a brighter glow or facing the challenges of troubleshooting, remember – you're not alone. You and your trusty diagram are a dynamic duo, ready to tackle any wiring enigma that comes your way. Safe travels, enlightened ones!

Questions & Answer :

Q: What are the common issues with the 1999 F250 tail light plug diagram?

  • A: One common issue revolves around wire corrosion, leading to poor connections. Regular inspection and cleaning can mitigate this problem. Additionally, check for damaged wires or loose connections, as these can impact the overall functionality of your tail lights.
  • Q: Are there specific tools needed for working with the tail light plug diagram?
  • A: Yes, having a set of basic tools is crucial. Wire strippers, crimping tools, and a multimeter for testing are essential. These tools help ensure precise connections and enable you to troubleshoot any issues that may arise during the process.
  • Q: Can I customize my tail light system using the diagram?
  • A: Absolutely! The diagram serves as your blueprint for understanding the wiring paths and configurations. This knowledge empowers you to make informed customizations, whether you're adding new features or enhancing the existing lighting setup.

Q: How often should I refer to the 1999 F250 tail light plug diagram for maintenance?

  • A: It's advisable to refer to the diagram during routine maintenance checks, which can be done every few months. This ensures that you catch any potential issues early on and maintain the optimal functionality of your tail lights. Additionally, consult the diagram if you notice any irregularities in your lighting system.
  • Q: Is understanding the diagram necessary for a non-mechanic?
  • A: While it may seem daunting at first, understanding the diagram is beneficial for all truck owners. It provides insights into your vehicle's electrical system and empowers you to troubleshoot minor issues independently. With the right guidance, even non-mechanics can navigate the diagram effectively.

Keywords : 1999 F250 Tail Light Plug Diagram
Share This :