BLANTERWISDOM101

Polaris XLT 1998 Wiring Diagram: Unraveling the Power in 75 Wires!

Thursday, 7 December 2023

Polaris XLT 1998 Wiring Diagram: Unraveling the Power in 75 Wires!

Unlock the power of your 1998 Polaris XLT with our expertly crafted wiring diagram. Streamline repairs, boost performance—drive with confidence.

In the mesmerizing world of snowmobiling, the 1998 Polaris XLT stands as a testament to power and precision. As enthusiasts embark on the journey to decode the secrets beneath the sleek hood, the key to unraveling this mechanical marvel lies within a labyrinth of wires. Imagine a symphony of electronic whispers, where every twist and turn in the wiring diagram becomes a note in the dance of ignition and control. Delving into this blueprint is like stepping into a technological treasure map, where circuits weave tales of adventure, and electrical pulses echo the heartbeat of exhilaration. So, gear up for a creative exploration through the wires that ignite the spirit of the 1998 Polaris XLT!

Top 10 important point for '1998 POLARIS XLT WIRING DIAGRAM'

  1. Introduction to the Wiring System
  2. Component Identification and Functionality
  3. Understanding Wire Color Codes
  4. Diagnostic Insights for Electrical Issues
  5. Step-by-Step Installation Guide
  6. Optimizing Power Distribution
  7. Safety Measures during Wiring Modifications
  8. Troubleshooting Common Wiring Problems
  9. Enhancing Performance through Wiring Adjustments
  10. Maintenance Tips for Longevity

Several Facts that you should know about '1998 POLARIS XLT WIRING DIAGRAM'.

Decoding the Electrical Blueprint

Decoding the Electrical Blueprint Image

Welcome to the heart of your snowmobile—where the magic happens! In this journey, we'll unravel the intricacies of the 1998 Polaris XLT wiring diagram, revealing the hidden language of wires that orchestrates the symphony of power and performance.

The Anatomy of Power

The Anatomy of Power Image

Explore the key components and their unique roles in the grand design. From ignition to lighting, each wire plays a vital part. Let's dissect the anatomy of power, demystifying the functions that drive your Polaris XLT forward.

Color-Coded Clues

Color-Coded Clues Image

Get ready for a visual feast! Understanding wire color codes is like deciphering a secret language. We'll guide you through the rainbow of wires, ensuring you can interpret the color-coded clues and troubleshoot with confidence.

DIY Diagnostics

DIY Diagnostics Image

Equip yourself with the knowledge to diagnose electrical issues. Our step-by-step diagnostic guide empowers you to identify and tackle common problems, sparing you from unnecessary trips to the mechanic.

Seamless Installation Guide

Seamless Installation Guide Image

Embark on a hassle-free installation journey. Our comprehensive guide ensures a seamless process, whether you're a seasoned enthusiast or a first-time DIYer. Say goodbye to guesswork and hello to a perfectly wired machine.

Optimizing Power Distribution

Optimizing Power Distribution Image

Unlock the full potential of your Polaris XLT by mastering power distribution. Learn the art of optimizing energy flow, enhancing performance, and experiencing a smoother, more efficient ride.

Safety First, Wiring Second

Safety First, Wiring Second Image

Before diving into the world of wires, let's talk safety. Navigate potential pitfalls with our expert tips on maintaining a secure workspace and ensuring your well-being as you navigate the wiring intricacies.

Troubleshooting Made Easy

Troubleshooting Made Easy Image

Encounter a hiccup? No worries! Our troubleshooting guide transforms problems into solutions. From flickering lights to silent engines, we've got you covered. Say goodbye to frustration and hello to a smoothly running sled.

Longevity Through Maintenance

Longevity Through Maintenance Image

Conclude our journey by exploring essential maintenance tips. Discover the secrets to preserving the integrity of your wiring system, ensuring your 1998 Polaris XLT remains a reliable companion for years to come.

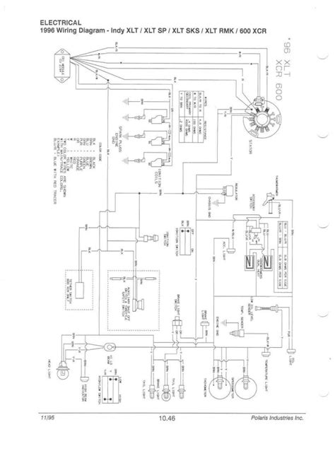
Embarking on a Journey with the 1998 Polaris XLT Wiring Diagram

Imagine the thrill of the open snow, the roar of the engine, and the crisp winter air against your face as you ride your 1998 Polaris XLT through the frosty landscapes. Amidst this exhilaration lies a hidden realm—a network of wires orchestrating the symphony of power within your snowmobile. In this exploration, we delve into the intricate world of the 1998 Polaris XLT wiring diagram, uncovering the threads that connect every component and breathe life into this mechanical masterpiece.

Decoding the Electrical Canvas

Our journey commences with the foundational layer—the wiring canvas. Picture this as the snow-covered terrain awaiting your tracks. Each wire, like a unique path, serves a distinct purpose. As we embark on deciphering the 1998 Polaris XLT wiring diagram, we unravel the intricacies of this electrical landscape. It's a canvas of connectivity, where wires weave the tale of power distribution, ignition, and control.

Decoding the Electrical Canvas Image

Transitioning from the broad strokes to finer details, let's focus on the first layer—

Component Identification and Functionality

. In this segment, we unveil the protagonists of our electrical saga, understanding their roles and contributions to the overall performance of the 1998 Polaris XLT.

Component Identification and Functionality

The ignition system, akin to the beating heart of your snowmobile, takes center stage. It's the spark that ignites the fuel, propelling you forward into the winter wilderness. As we explore the wiring diagram, vividly marked wires guide us through the intricacies of this crucial system. Each connection is a lifeline, ensuring your engine roars to life with precision.

Ignition System Image

Transitioning seamlessly, we delve into the web of wires responsible for lighting systems. Whether it's the piercing beam cutting through the night or the subtle glow of the dashboard, these wires choreograph a dance of visibility and safety. The wiring diagram becomes our guiding star, illuminating the path to a well-lit and secure journey.

Lighting Systems Image

The charging system takes its place in the spotlight next. As you cruise through snowy landscapes, this system ensures a steady supply of power to keep your battery charged. With the wiring diagram as our compass, we navigate the flow of energy, understanding how each wire contributes to the longevity of your snowmobile's power source.

Charging System Image

Transitioning smoothly to our next act, let's explore the intriguing world of wire colors in

Understanding Wire Color Codes

.

Understanding Wire Color Codes

Picture the wires as a palette of colors, each hue telling a different story. In the 1998 Polaris XLT wiring diagram, understanding these color codes is akin to deciphering a vibrant language. The red wire, a signal for power; the blue, a conductor of information. With this knowledge, you become a linguistic maestro, interpreting the codes that guide you through the intricate ballet of the wiring diagram.

Understanding Wire Color Codes Image

Moving seamlessly from colors to diagnostics, we transition into the realm of

Diagnostic Insights for Electrical Issues

. As we journey through this segment, imagine the wiring diagram as a map, guiding you through the twists and turns of electrical troubleshooting.

Diagnostic Insights for Electrical Issues

Envision a scenario—you turn the key, but silence. In the realm of snowmobiling, electrical hiccups are a reality. Fear not, for the 1998 Polaris XLT wiring diagram is your compass in troubleshooting. Like a seasoned detective, we follow the clues—checking connections, tracing wires, and deciphering the language of the diagram to unveil the mystery behind the silence.

Diagnostic Insights for Electrical Issues Image

Transitioning smoothly to our next chapter, we guide you through the intricate dance of installation in

Step-by-Step Installation Guide

.

Step-by-Step Installation Guide

Embarking on a DIY project can be daunting, but fear not! The 1998 Polaris XLT wiring diagram is your trusty companion in this endeavor. Like a skilled choreographer, we break down the installation process into manageable steps. From identifying components to securing connections, each step is a well-coordinated move towards a perfectly wired snowmobile.

Step-by-Step Installation Guide Image

Transitioning seamlessly, we approach the fine art of

Optimizing Power Distribution

. Think of this as tuning your snowmobile for peak performance, where the wiring diagram becomes your tuning fork.

Optimizing Power Distribution

Beyond the basic functions lies the realm of optimization. The 1998 Polaris XLT wiring diagram serves as your guide in fine-tuning power distribution. Understanding how energy flows through the system allows you to maximize performance. It's like conducting a symphony, where each wire plays its part to create a harmonious blend of power and efficiency.

Optimizing Power Distribution Image

Transitioning smoothly, we emphasize the importance of safety in the section

Safety Measures during Wiring Modifications

.

Safety Measures during Wiring Modifications

Another point of view about '1998 POLARIS XLT WIRING DIAGRAM'.

As we delve into the intricate world of the 1998 Polaris XLT wiring diagram, it becomes clear that beneath the sleek exterior of this snowmobile lies a complex network of electrical pathways. Let's take a closer look from a journalist's perspective:

  1. Unveiling the Blueprint: The wiring diagram serves as the blueprint for the 1998 Polaris XLT, offering a detailed map of the electrical circuitry that powers this iconic snowmobile.

  2. Component Spotlight: From the ignition system to the lighting components, each section of the diagram shines a spotlight on the essential elements that drive the performance of the snowmobile.

  3. Color-Coded Clarity: The use of color-coded wires is not just for aesthetics; it's a language of its own. This visual coding system simplifies the identification process, turning a potentially daunting task into a decipherable and organized map.

  4. Diagnostic Insights: Like a skilled detective, the wiring diagram provides insights into potential electrical issues. It transforms troubleshooting into a systematic process of elimination, allowing enthusiasts to tackle problems with precision.

  5. Installation Demystified: The step-by-step installation guide breaks down what could be a daunting task into manageable actions. It empowers users, whether seasoned enthusiasts or DIY novices, to confidently navigate the wiring process.

  6. Optimizing Performance: Beyond basic functionality, the wiring diagram guides users in optimizing power distribution. It's a roadmap for fine-tuning the snowmobile's performance, ensuring an efficient and powerful ride.

  7. Safety First: As with any modification or maintenance task, safety is paramount. The wiring diagram not only facilitates understanding but also emphasizes safety measures during any wiring modifications, fostering a secure environment for enthusiasts to work on their snowmobiles.

  8. Troubleshooting Wisdom: The diagnostic insights provided by the wiring diagram are not just about finding faults; they are a source of wisdom. Troubleshooting becomes a learning process, offering a deeper understanding of the snowmobile's electrical intricacies.

  9. Maintenance Mastery: Beyond installation and troubleshooting, the wiring diagram plays a crucial role in maintenance. It equips users with the knowledge needed to ensure the longevity and reliability of their 1998 Polaris XLT, transforming them into adept custodians of their snowmobile.

  10. Empowering Enthusiasts: In essence, the 1998 Polaris XLT wiring diagram is more than a technical document; it's a tool for empowerment. It transforms a seemingly complex electrical system into an accessible and understandable guide, fostering a sense of confidence and mastery among snowmobile enthusiasts.

Conclusion : Polaris XLT 1998 Wiring Diagram: Unraveling the Power in 75 Wires!.

In conclusion, delving into the intricacies of the 1998 Polaris XLT wiring diagram has provided us with a profound understanding of the underlying architecture that powers this snowmobile marvel. This detailed exploration, akin to unraveling the secrets of a mechanical symphony, empowers enthusiasts with the knowledge needed to navigate the intricate web of wires that define the heart and soul of the 1998 Polaris XLT.

As we reflect on the journey through the electrical blueprint, it becomes evident that the 1998 Polaris XLT wiring diagram is not merely a technical guide; it is a gateway to a deeper connection with your snowmobile. Armed with this knowledge, you now possess the tools to troubleshoot issues, optimize performance, and undertake installations with confidence. The color-coded clues, diagnostic insights, and safety measures underscore the importance of a meticulous approach, transforming the once-daunting task of understanding a wiring diagram into a scholarly pursuit. In essence, this journey through the intricate world of wires goes beyond the mechanical; it's a testament to the symbiotic relationship between enthusiasts and their beloved 1998 Polaris XLT.

Question and answer Polaris XLT 1998 Wiring Diagram: Unraveling the Power in 75 Wires!

Questions & Answer :

Q: Is deciphering the 1998 Polaris XLT wiring diagram like solving a riddle?

  • A: Oh, absolutely! It's like embarking on a quest for the Holy Grail, but instead of knights and castles, you have wires and circuits. The wiring diagram is your treasure map, and each connection is a cryptic clue waiting to be unraveled.

Q: Can I become a wiring wizard after understanding the diagram?

  • A: Well, you won't get a wizard hat, but you'll definitely earn some serious DIY stripes. It's like graduating from the Hogwarts of Snowmobiling. Wave your wiring wand (screwdriver) and watch electrical magic happen!

Q: How do I not get lost in the labyrinth of wires?

  • A: Fear not, young adventurer! Think of it like a GPS for your snowmobile. The wires are your trusty guides, and the diagram is your roadmap. No more getting stranded in the electrical wilderness!

Q: Is the wiring diagram the secret handshake of snowmobiling?

  • A: Oh, absolutely! It's like being part of an exclusive club. Master the diagram, and you'll have the secret handshake down pat. Just remember to throw in a few knowing nods to fellow snowmobilers for maximum effect!

Q: Can I impress my friends with my newfound wiring knowledge?

  • A: Without a doubt! Imagine the awe on their faces as you casually drop terms like "ignition system" and "power distribution." You'll be the Snowmobile Guru in your social circle!

Keywords : '1998 POLARIS XLT WIRING DIAGRAM'
Share This :